Подходящ дак за CS8416 ?
Подходящ дак за CS8416 ?
В момента съм се ориентирал към ето този : http://uk.farnell.com/wolfson-microelec ... dp/1776267" onclick="window.open(this.href);return false;
Ако някой има по-добро решение , моля нека сподели тук ?
Ако някой има по-добро решение , моля нека сподели тук ?
който каквото иска да мисли аз слушам музика от PC ... и се радвам на звука
- velinski
- BG Audio Team™

- Мнения: 2684
- Регистриран на: Пон Яну 24, 2005 1:00 am
- Местоположение: Sofia
- Обратна връзка:
Re: Подходящ дак за CS8416 ?
По-добро за/от какво?
STAX SR-007 Mk2 Omega 2 + KGSSHV Carbon
Grado PS-500e + TAG Mclaren 60i
Reference 3A Studio Master + Audiotour Moonphase SE + Audiotour Propaganda DAC + Sony CDP-X3000ES
Grado PS-500e + TAG Mclaren 60i
Reference 3A Studio Master + Audiotour Moonphase SE + Audiotour Propaganda DAC + Sony CDP-X3000ES
Re: Подходящ дак за CS8416 ?
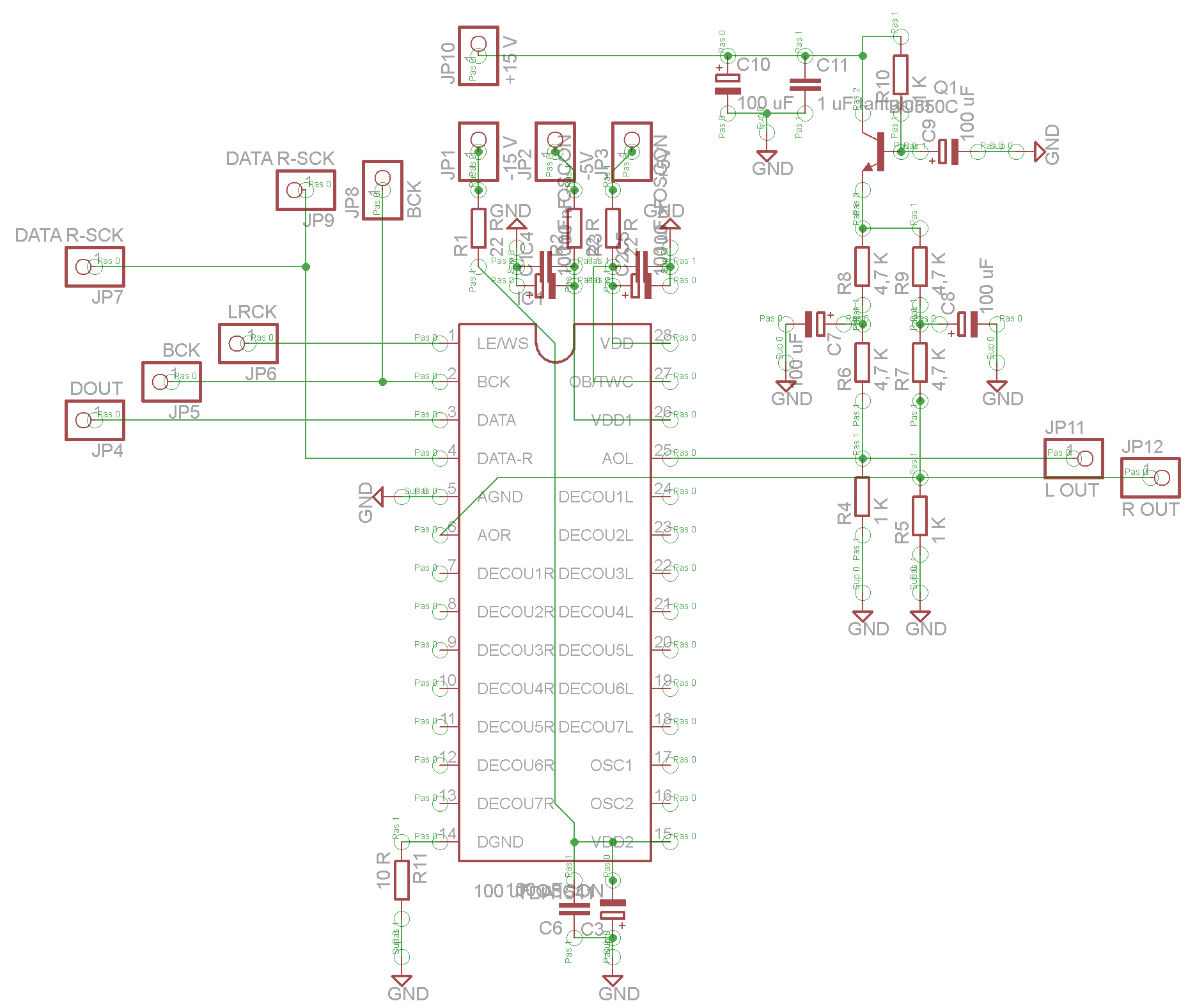
За направа на 'средна хубост' ДАК - трябва ми някоя лесна за изпълнение същевременно ефективна схема . Предложиха ми ТДА1541А, но до момента няма опит с нея така , че ще е доста интересно ако се захвана да реализирам дак с нея. Нещо от рода на : http://kitefield.air-nifty.com/blog/200 ... _ea11.html" onclick="window.open(this.href);return false;
който каквото иска да мисли аз слушам музика от PC ... и се радвам на звука
- velinski
- BG Audio Team™

- Мнения: 2684
- Регистриран на: Пон Яну 24, 2005 1:00 am
- Местоположение: Sofia
- Обратна връзка:
Re: Подходящ дак за CS8416 ?
Средна хубост звук няма как да получиш от макетна платка. Най-лесно е да си харесаш платка от ebay и да действаш по нея. Има различни варианти с различни ЦАП-ове, например:
http://cgi.ebay.com/ws/eBayISAPI.dll?Vi ... 0328167007+" onclick="window.open(this.href);return false;
Наскоро гледах и платка за PCM56/61/62
http://cgi.ebay.com/ws/eBayISAPI.dll?Vi ... 0328167007+" onclick="window.open(this.href);return false;
Наскоро гледах и платка за PCM56/61/62
STAX SR-007 Mk2 Omega 2 + KGSSHV Carbon
Grado PS-500e + TAG Mclaren 60i
Reference 3A Studio Master + Audiotour Moonphase SE + Audiotour Propaganda DAC + Sony CDP-X3000ES
Grado PS-500e + TAG Mclaren 60i
Reference 3A Studio Master + Audiotour Moonphase SE + Audiotour Propaganda DAC + Sony CDP-X3000ES
Re: Подходящ дак за CS8416 ?
Спомняш ли си къде си видял тази платка , че ми представлява по-голям интересНаскоро гледах и платка за PCM56/61/62
който каквото иска да мисли аз слушам музика от PC ... и се радвам на звука
- velinski
- BG Audio Team™

- Мнения: 2684
- Регистриран на: Пон Яну 24, 2005 1:00 am
- Местоположение: Sofia
- Обратна връзка:
Re: Подходящ дак за CS8416 ?
ebay.com
STAX SR-007 Mk2 Omega 2 + KGSSHV Carbon
Grado PS-500e + TAG Mclaren 60i
Reference 3A Studio Master + Audiotour Moonphase SE + Audiotour Propaganda DAC + Sony CDP-X3000ES
Grado PS-500e + TAG Mclaren 60i
Reference 3A Studio Master + Audiotour Moonphase SE + Audiotour Propaganda DAC + Sony CDP-X3000ES
Re: Подходящ дак за CS8416 ?
един приятел ми намери почти без пари ТДА1541А и мисля нея да ползвам за този дак .
Малко помощ ?
Какви трябва да са кондензаторите за декуплиращите крака ? Имам Саньо ОСКОН 3,3 мфд дали са подходящи или задължително да търся полиестерни ? До каква степен osc 1 и osc 2 се влияят от кондензатора м/у тях ? И някакви препоръки за какъв да ползвам там ?
Малко помощ ?
Какви трябва да са кондензаторите за декуплиращите крака ? Имам Саньо ОСКОН 3,3 мфд дали са подходящи или задължително да търся полиестерни ? До каква степен osc 1 и osc 2 се влияят от кондензатора м/у тях ? И някакви препоръки за какъв да ползвам там ?
който каквото иска да мисли аз слушам музика от PC ... и се радвам на звука
- Stancho Atanasov
- има известен опит

- Мнения: 46
- Регистриран на: Вто Яну 23, 2007 1:00 am
- Местоположение: Габрово/София
- Обратна връзка:
Re: Подходящ дак за CS8416 ?
http://www.datasheetcatalog.org/datashe ... A1541A.pdf" onclick="window.open(this.href);return false;
Re: Подходящ дак за CS8416 ?
Няма ли кой да овика новобранеца
?
В datasheet-a не е споменат отговорът на въпросите ми за съжаление
В datasheet-a не е споменат отговорът на въпросите ми за съжаление
който каквото иска да мисли аз слушам музика от PC ... и се радвам на звука
- Fenkiller
- има сериозен опит

- Мнения: 683
- Регистриран на: Чет Авг 18, 2005 12:00 am
- Местоположение: Варна
- Обратна връзка:
Re: Подходящ дак за CS8416 ?
И в двата случая полистиролен (стирофлексен)!ipetkow написа:...
Какви трябва да са кондензаторите за декуплиращите крака ? ... . osc 1 и osc 2 ... кондензатора м/у тях ? ... какъв да ползвам там ?
Kill with power! DIY ! DIY ! DIY !
Re: Подходящ дак за CS8416 ?
дааам и аз към МКТ съм залитнал .
ето примерно тук :
http://vasiltech.nm.ru/foto/TDA1541/Woo ... insdac.jpg" onclick="window.open(this.href);return false; - са ползвани сини Филипски МКТ-та
докато японците принципно залитат :
http://vasiltech.nm.ru/foto/TDA1541/Son ... insdac.jpg" onclick="window.open(this.href);return false; - по тези в керамична форма
Към оригиналната стойност ли да се придържам или да пробвам с по-голяма примерно за тези декуплиращи крака ?
ето примерно тук :
http://vasiltech.nm.ru/foto/TDA1541/Woo ... insdac.jpg" onclick="window.open(this.href);return false; - са ползвани сини Филипски МКТ-та
докато японците принципно залитат :
http://vasiltech.nm.ru/foto/TDA1541/Son ... insdac.jpg" onclick="window.open(this.href);return false; - по тези в керамична форма
Към оригиналната стойност ли да се придържам или да пробвам с по-голяма примерно за тези декуплиращи крака ?
който каквото иска да мисли аз слушам музика от PC ... и се радвам на звука
- Fenkiller
- има сериозен опит

- Мнения: 683
- Регистриран на: Чет Авг 18, 2005 12:00 am
- Местоположение: Варна
- Обратна връзка:
Re: Подходящ дак за CS8416 ?
Мисля бъркаш кондензаторите като типове ?!!??ipetkow написа:дааам и аз към МКТ съм залитнал .
ето примерно тук :
http://vasiltech.nm.ru/foto/TDA1541/Woo ... insdac.jpg" onclick="window.open(this.href);return false; - са ползвани сини Филипски МКТ-та
....
Единствения стирофлекс (което не е в никой случай MKT!) на твоята посочена по горе снимка е оградения в червено от мен:
и не случайно е такъв поставен - в случая е именно за вградения осцилатор (между крака osc1 и osc2)!!!
Между "сините филипс" и показаните от "японците" тук:
http://vasiltech.nm.ru/foto/TDA1541/Son ... insdac.jpg" onclick="window.open(this.href);return false;
принципно голяма разлика няма освен че компаунда на "японските" гарантира висок температурен клас на стабилност на параметрите (демек бих предпочел вторите!).......
Ето как го правя аз само със стирофлекси:
Моите наблюдения сочат че стойността на декуплиращите кондензатори зависи от това дали ЦАП-а е пуснат NOS или е с 4x , 8x oversampling.ipetkow написа:...Към оригиналната стойност ли да се придържам или да пробвам с по-голяма примерно за тези декуплиращи крака ?
Лично аз бидейки почитател на NOS конструкциите ползвам 220 нанофарада. В практиката поради споменатата ,а може би и други причини се ползват кондензатори със стойности от 220 пикофарада до 1 микрофарад ,като упоменатата стойност на Филипс (100 нанофарада по ДШ)гарантира правилна работа по ДШ независимо от OS и е в средата на диапазона на използваните от скъпите фирми стойности...
Относно кондензатора на осцилатора злите езици говорят ,че е по добре с по голяма стойност - 680 пикофарада...аз лично ползвам 500 пикофарада (с 470 също работи подобаващо де така че.....)....
Поздрави!
Митака.
Kill with power! DIY ! DIY ! DIY !
Re: Подходящ дак за CS8416 ?
Мерси за изчерпателният отговор Митак
Дака ще е НОС - точно за това питах за тея кондензатори - относно осцилатора да в много сервизни има (пак на японците ) , че трябва да е поне 680 пико .
Дака ще е НОС - точно за това питах за тея кондензатори - относно осцилатора да в много сервизни има (пак на японците ) , че трябва да е поне 680 пико .
който каквото иска да мисли аз слушам музика от PC ... и се радвам на звука
Кой е на линия
Потребители разглеждащи този форум: 0 регистрирани и 1 гост
